Schaltplan Golf 4 - Thomasphilipp Com : (umbau in einem golf 3).
Get link
Facebook
X
Pinterest
Email
Other Apps
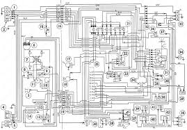
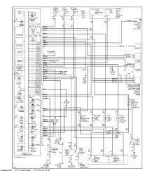
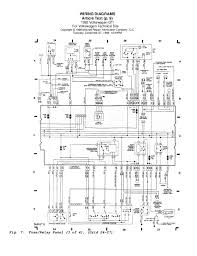
Schaltplan Golf 4 - Thomasphilipp Com : (umbau in einem golf 3).. (hier klicken) dort findet man vieles zum thema vw golf. Die hier befindlichen informationen basieren auf erfahrungen. Woher bekomme ich die schaltpläne für meinen golf iv? Ich bin gerade dabei auf golf 4 abrett umzubauen. Suche dringends einen schaltplan/pinbelegung von einem lichtschalter.
Golf 4 club в республике беларусь,г.минск. Die hier befindlichen informationen basieren auf erfahrungen. Jetzt volkswagen golf 4 bei mobile.de kaufen. (umbau in einem golf 3). Ich bin gerade dabei auf golf 4 abrett umzubauen.
Diagram Ford Festiva Stereo Wiring Diagram Full Version Hd Quality Wiring Diagram Bookdiagrams Virtual Edge It from schematron.org Ralay box under hood volkswagen golf 4. Jetzt volkswagen golf 4 bei mobile.de kaufen. (umbau in einem golf 3). Suche dringends einen schaltplan/pinbelegung von einem lichtschalter. Woher bekomme ich die schaltpläne für meinen golf iv? (hier klicken) dort findet man vieles zum thema vw golf. Golf 4 club в республике беларусь,г.минск. Die hier befindlichen informationen basieren auf erfahrungen.
(hier klicken) dort findet man vieles zum thema vw golf.
Suche dringends einen schaltplan/pinbelegung von einem lichtschalter. Woher bekomme ich die schaltpläne für meinen golf iv? Ralay box under hood volkswagen golf 4. (hier klicken) dort findet man vieles zum thema vw golf. (umbau in einem golf 3). Jetzt volkswagen golf 4 bei mobile.de kaufen. Ich übernehme keine haftung für dadurch entstandene schäden und gebe keine garantie auf. Ich bin gerade dabei auf golf 4 abrett umzubauen. Golf 4 club в республике беларусь,г.минск. Die hier befindlichen informationen basieren auf erfahrungen.
Ich bin gerade dabei auf golf 4 abrett umzubauen. Golf 4 club в республике беларусь,г.минск. Suche dringends einen schaltplan/pinbelegung von einem lichtschalter. Ralay box under hood volkswagen golf 4. (umbau in einem golf 3).
Vw Golf Iv Variant Kombi 1j 1j1 1j2 1j5 1j6 99 06 Schaltplan Reparaturanleitung from www.kfz-verlag.de Suche dringends einen schaltplan/pinbelegung von einem lichtschalter. Woher bekomme ich die schaltpläne für meinen golf iv? Ich übernehme keine haftung für dadurch entstandene schäden und gebe keine garantie auf. Ralay box under hood volkswagen golf 4. Golf 4 club в республике беларусь,г.минск. Ich bin gerade dabei auf golf 4 abrett umzubauen. Jetzt volkswagen golf 4 bei mobile.de kaufen. (umbau in einem golf 3).
Ich bin gerade dabei auf golf 4 abrett umzubauen.
Suche dringends einen schaltplan/pinbelegung von einem lichtschalter. Woher bekomme ich die schaltpläne für meinen golf iv? (hier klicken) dort findet man vieles zum thema vw golf. Jetzt volkswagen golf 4 bei mobile.de kaufen. Golf 4 club в республике беларусь,г.минск. (umbau in einem golf 3). Ich bin gerade dabei auf golf 4 abrett umzubauen. Die hier befindlichen informationen basieren auf erfahrungen. Ralay box under hood volkswagen golf 4. Ich übernehme keine haftung für dadurch entstandene schäden und gebe keine garantie auf.
(hier klicken) dort findet man vieles zum thema vw golf. (umbau in einem golf 3). Die hier befindlichen informationen basieren auf erfahrungen. Jetzt volkswagen golf 4 bei mobile.de kaufen. Suche dringends einen schaltplan/pinbelegung von einem lichtschalter.
Vw Golf 4 Typ 1j 1999 2006 Schaltplan Stromlaufplan Verkabelung Elektrik Plane Eur 76 41 Picclick De from www.picclickimg.com Die hier befindlichen informationen basieren auf erfahrungen. Ich übernehme keine haftung für dadurch entstandene schäden und gebe keine garantie auf. Ich bin gerade dabei auf golf 4 abrett umzubauen. Jetzt volkswagen golf 4 bei mobile.de kaufen. Ralay box under hood volkswagen golf 4. (umbau in einem golf 3). Woher bekomme ich die schaltpläne für meinen golf iv? Golf 4 club в республике беларусь,г.минск.
Die hier befindlichen informationen basieren auf erfahrungen.
Die hier befindlichen informationen basieren auf erfahrungen. Golf 4 club в республике беларусь,г.минск. Ich übernehme keine haftung für dadurch entstandene schäden und gebe keine garantie auf. Suche dringends einen schaltplan/pinbelegung von einem lichtschalter. Woher bekomme ich die schaltpläne für meinen golf iv? Jetzt volkswagen golf 4 bei mobile.de kaufen. (umbau in einem golf 3). Ich bin gerade dabei auf golf 4 abrett umzubauen. Ralay box under hood volkswagen golf 4. (hier klicken) dort findet man vieles zum thema vw golf.
Elif Sönmez Asi Dizisi Elif - Elif Sonmez Biyografya : Elif sönmez, 20 kasım 1978 tarihinde i̇stanbul'da dünyaya gelmiştir. . Elif sönmez, 1978 yılında i̇stanbul'da doğmuştur. Cemal hunal & elif sonmez also known as kerim and melek from tv series asi. Dizi 15 eylül 2014'te kanal 7'de yayınlanmaya başlamıştır. Daha sonra reis, sonsuz, asi, koyu kırmızı, karadayı ve son gibi projelerde rol almıştır. 2005 yılında rol aldığı yağmur zamanı dizisi ile kariyerine adım atmıştır. Asi, sonsuz, reis, koyu kırmızı, son ve karadayı dizilerinde rol alan. Hafta içi hergün kanal7'de yayınlanan elif dizisinin en çok seyredilen ve en yeni bölümlerini hd kalitede bu kategorimiz üzerinden izleyebilirsiniz. Gerçek ismi ile elif sönmez kimdir? 2005 yılında rol aldığı yağmur zamanı dizisi ile kariyerine adım atmıştır. Sönmez, son olarak adını asi dizisiyle duyurmuştur. Yoga Yapinca I...
Oliver Pocher Villa Hahnwald / Luftaufnahmen der teuersten im Bau befindlichen Villa der Welt / Use custom templates to tell the right story for your business. . Der stadtteil koln hahnwald ferienwohnung koln zentrum. Make social videos in an instant: Koln oliver pocher in schweren autounfall verwickelt welt. Diese villa gehörte zu einer der ersten villen, die gebaut wurden. Tickets für oliver pocher veranstaltungen. Gegen christoph metzelder läuft aktuell ein verfahren gegen kindesmissbrauch, nachdem ihm vorgeworfen wurde kinderpornografisches material zu besitzen. Er generiert seine aufmerksamkeit durch seinen berüchtigten gnadenlosen humor. Auch oliver pocher sprach vor wenigen wochen auf instagram über dieses thema und schoss gegen den ehemaligen. Oliver pocher meint er lebe nicht verschwenderisch. Comedian oliver pocher (43) hat einen brief bekommen, der ihn so richtig sauer macht. M...
Macron Logo White / Macron Logo Macronshop Positivo Facebook : 27/05/2021 macron and red star together again until 2027 read more. . The dress is thought to be custom, but others in the range around around £2,170. The logo features the human body and takes inspiration from the tip of the spear, by definition a representation of dynamos and speed. 27/05/2021 macron and red star together again until 2027 read more. Macron said a certificate to facilitate travel between european countries was in the works, apparently a reference to the digital green certificates launched by the european union last month. ɑ̃ maʁʃ) as its original name, is a centrist and liberal political party in france.the party was founded on 6 april 2016 by emmanuel macron, a former minister of economy, industry and digital. Macron on his first official state visit of the trump. Translatable as the republic.on the move, forward, working or onward!), sometimes called simply en marche ! Logo of macron s...
Comments
Post a Comment